欢迎光临~温州世洁流体设备有限公司
语言选择: 中文版 ∷  英文版

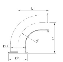
弯头

  • 90°夹式弯头
90°夹式弯头

90°夹式弯头

DIN,3A,SMS,ISO/IDF,BS/RJT,DS等标准系列。其中卫生级管件:管道连接用的45°/90°/180°弯头系列:三通/四通系列;同(偏)心大小头系列使您的生产线大小管道系统的自由连通。各系列管件配件有焊接,快装,螺纹与法兰四种常用连接方式与您的管道系统标准连接。
规格:DN15~DN100, 1/2"~4"
连接方式:焊接,快装,螺纹与法兰

材料:不锈钢304,316L


3A

Size

L1

T

1/2"

50.8

1.65

3/4"

50.8

1.65

1"

76.2

1.65

1 1/2"

76.2

1.65

2"

101.6

1.65

2 1/2"

127.0

1.65

3"

152.4

1.65

4"

203.2

2.10

6"

203.2

2.80



上一个:90°夹式双弯头 下一个:180°焊接式弯头